
Shipping Container Anatomy and Configurations
Written on October 27, 2022
by Anna Nichita
In the following categories: Shipping Container Maintenance & Fabrication
Shipping containers were originally invented for transporting goods over the ocean around 1956. This means they were created to be sturdy and durable. Able to withstand harsh amounts of wind and water, being overseas most of the time. Made from Corten steel, these seemingly basic objects actually have a lot of really important and intricate attributes. This makes them long-lasting and beneficial for transportation by land or shipping and storage of goods.
Containers are similarly structured to most houses with walls, a floor and a roof. However, containers are superior in that they are designed to hold their own weight. While also holding the weight of their contents and the weight of multiple containers on top of them. Designed in a rectangular shape, they are completely stackable and can hook together becoming unmovable. You can see here in a different blog post how the shipping containers are made.
We do offer 20ft and 40ft shipping containers for sale, lease and rent to own. Contact us directly so we can help you with more details!
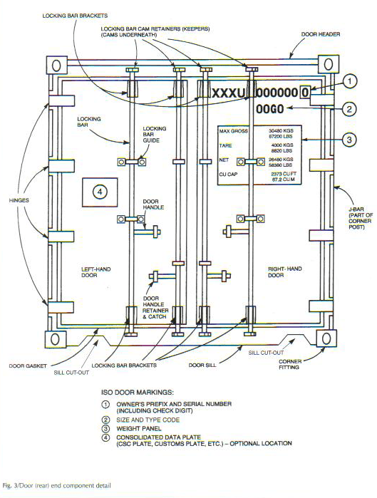
A standard shipping container can be broken into four main parts and a few other components:
1 - Floors - Most Container Floors consist of 1 1/8” treated plywood over steel cross‐members spaced at 11” apart. The floors of a shipping container have been strategically structured to withstand heavy loads. Allowing them be lifted up into the air by cranes. Inside, the base contains a steel cross. Over the top of this cross, marine-grade plywood is then placed over the top. Plywood floors make moving things about inside the container easier and less abrasive to the contents within. The floors are so strong that even a small forklift can drive in and out of the container without damaging the floor. As an example of just how strong both the floor and the entire shipping container is, a standard 20-foot container weighs about 5000 pounds, yet it can take a payload of up to 62,000 pounds. Just about all modern shipping containers will have slots beneath the floor for the tynes of forklifts. These are known as forklift pockets ( FLP ), making it far easier to be able to move the containers around, as well as load and unload them onto trucks.

2 - Walls - Made out of 14 gauge corrugated Corten steel sheets. They are not part of the structural frame and can be modified. The side walls are welded onto the container’s frame. They are built to withstand the brunt of the damage from other containers when the ship is on rough seas. The walls are surrounded by a thick steel beam that adds extra support.

3 - Roof - During manufacture, it is the container roof that garners the most attention, for it is the part that is most exposed to the harsh elements of the seas. Not to forget that the containers are stacked one on top of the other for easy transportation. Keeping in mind that the roof has to withstand such heavy-duty exposure, the roof is designed to protect its structure and to provide space for another container to sit on top of it. It has an extremely rigid corrugated surface fabricated with Corten steel sheets for extra durability, strength, and rigidity. Of late, manufacturers weld the roof sheets to the container’s frame for enhanced stability. The roof is vulnerable to pitting and bubble rust that occurs when the box is dropped during stacking or transportation.

4 - Doors - The doors of a shipping container open 270 degrees for easy access into the container and to allow forklifts to load and unload pallets. Made from super-strength steel, these doors have sturdy lock rods, cam keepers and handle to secure the door shut. With rubber seals and gaskets, the doors on a shipping container have been meticulously designed for ultimate water and weather tightness. Some new shipping containers have doors on both ends, we call them double doors.

Other parts of the Shipping Container:
A - Corner castings / Fittings - Containers can be hoisted by the corner fittings and stacked on top of one another.

B - Top and bottom rails / Shipping Container Frame - The framework of a shipping container is very basic compared to something like a building, but the framing also forms an integral part of the overall structure, ensuring rigidity, strength and no chance of bowing

C - Air vents - Containers are equipped with 2 or more Vents to provide minimal air flow, and to prevent sweating.

D - Lock Box ( LB ) - Most New, “One Trip”, Containers have added Lock Boxes. Used Containers do not have Lock Boxes.

E - CSC Plate - Each and every container must have a CSC Plate on the left hand door short for [Container Safety Convention].This plate has all the details of the Owners, Technical Data, and ACEP information. ACEP being short for, Approved Continuous Examination Program, in short every 30 months an active container must be turned into a Container Depot for examination.

G - Forklift Pockets ( FLP ) - All 20’ Containers are equipped with Fork Pockets, but most Used 40’ Containers do not have Fork Pockets.

H - Lock Bars - The Double Doors of a container are fitted with four Lock Bars, each of which can be pad‐locked.

I - Shipping Container Number - A unique sequence made up of 4 letters and 7 numbers, the container number is displayed on the top right part of the container door. The classification agency ISO ( International Standards Organization) assigns the number to identify the unit internationally. The first 3 capital letters are the Owner Code, which signifies the owner of the container, who also usually brands the unit with their logo and unique paint.

We hope that this article was a real help to everyone, gave the information you needed for all the parts of a shipping container, so that every time when you see or receive one, to remember and know what to expect from a conex box. If you need to order one or need any details please contact us directly!
